Home Modellbahn Projekte Bilder s.E.V.A.      

Projekte

Netzgerät

Di-Amp

Einleitung

Umsetzung

Schaltplan

Technische Daten

Switchpack

DimmModul-V1

Einleitung - DiAmp

Das DiAmp-Projekt ist ein kleineres - ich würde mal sagen - Bastelprojekt. Der Hintergrund dazu war ein Problem mit der heimischen Stereoanlage, für dessen Lösung - kurz gefasst - ein Signalverstärker nötig wurde.

Da der Signalverstärker eher für jeweils kurze Zeiträume eingesetzt werden sollte, schien eine Batterieversorgung hierfür sinnvoll. Für die Realisierung des eigentlichen Verstärkers fiel der Gedanke zunächst auf Operationsverstärker. Will man aber eine einstellbare Verstärkung, trifft man auf das Problem, dass man das Signal über ein (Stereo-) Poti führen muss, welches durch Alterung und Benutzung zum "knacksen" neigt. Glücklicherweise wurden in Zeiten der analogen Welt hierfür ICs entwickelt, die einen Analogmultiplizierer, zurechtgeschnitten auf Audio-Anwendungen, beinhalten. Für das etwas betagte IC vom Typ TCA730, aufgebaut mit der im Datenblatt vorgeschlagenen Schaltung, ist jedoch eine Betriebspannung von 12V vorgesehen. Um nicht eine Vielzahl Batterien zu benötigen, wird ein kleiner Schaltwandler (LT1613) eingesetzt, der die Spannung von drei (AAA-) Batterien auf die benötigte Versorgungsspannung bringt. Als Extra habe ich noch eine kleine Operationsverstärkerschaltung angefügt (das Signal wird parallel über einen Impedanzwandler und einen Invertierer geführt), um zusätzlich ein differentielles bzw. symmetrisches Ausgangssignal zu erzeugen. Nützlich ist diese Erweiterung, falls man mal über eine längere Strecke ein Mischpult anfahren möchte. Eingebaut in ein kleines Gehäuse, versehen mit Chinch/Klinke-Buchsen am Eingang und Chinch-Buchsen bzw. XLR-Steckern am Ausgang (asymmetrischer bzw. symmetrischer Ausgang), wurde daraus eine DI-Box mit einstellbarer Verstärkung - also ein DiAmp.

Die Umsetzung im Detail ↑

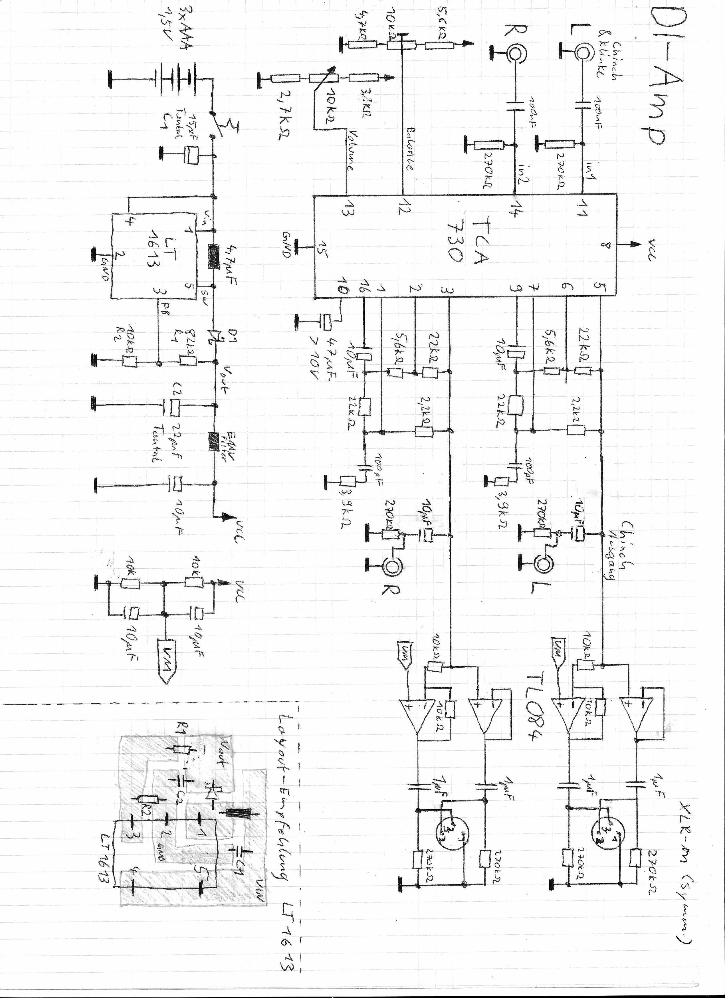
Als Verstärker, bei dem das Poti zur Pegeleinstellung nicht im Signalpfad liegt, bietet sich das IC TCA730 an. Dieses erfüllt mit einiger, im Datenblatt angegebenen Außenbeschaltung, die Aufgabe zur Genüge. Prinzipiell wird, wie bei Audio-Lösungen üblich, das Signal Ein- und Ausgangsseitig über einen Kondensator entkoppelt, um die Schaltung mit einer einfachen Versorgungsspannung betreiben zu können. Das Bezugspotential für die Signale hinter dem Kondensator ist hier nicht mehr Masse der Versorgungsspannung, sondern ein Wert zwischen Masse und Versorgungsspannung. Das durch den Kondensator entstehende Hochpassverhalten wird durch geeigente Wahl der Bauteilwerte so eingestellt, dass sich kein nennenswerter Einfluss auf das Audiosignal ergibt.

Zur Erzeugung des symmetrischen Ausgangs wird eine Operationsverstärkerschaltung (mit einem TL084) angehängt, die das Signal je Kanal einmal direkt und einmal invertiert durchschleust. Die OP-Schaltung bekommt als Referenz (sofern benötigt) eine „virtuelle Masse“, die mit einem Spannungsteiler auf die halbe Versorgungsspannung gelegt wird.

Um die Versorgungsspannung bereitzustellen, ohne auf eine 9-Volt-Blockbatterie oder viele Einzelzellen setzen zu müssen, wird ein Hochsetzsteller (Boost-Converter) eingesetzt. Mittels des Schaltwandler-ICs LT1613 kann dieser sehr kompakt realisiert werden, indem nur noch Speicherkondensatoren, Speicherdrossel, Freilauf-(Schottky-)Diode, Rückführungs-Spannungsteiler und EMV-Filter hinzugefügt werden. Als Versorgung reichen nun 3x AAA-Batterien, aus denen die Versorgungsspannung von ca. 12V erzeugt wird (für den geforderten Ausgangsstrom bei ca. 12V müssen min. 3V am Eingang des Schaltwandlers liegen, da sonst die Ströme größer werden, als der Wandler bereitstellen kann.)

Die ganze Schaltung ist in ein kleines „Handgehäuse“ eingebaut (bisher realisiert auf Punktraster) mit jeweils Chinch- und Klinke Eingängen (sym. Eingangssignale an den Klinkebuchsen sind möglich, werden aber nur als asymmetrische Signale verwendet). Die Ausgänge sind auf Chinch (asymmetrisch) und XLR (symmetrisch) geschaltet.

Der Schaltplan ↑

Zum Abschluss: Technische Daten ↑

  • Ausführung: Stereo
  • Eingänge: asymmetrisch Chinch oder Klinke 6,3mm
  • Ausgänge: asymmetrisch Chinch und symmetrisch XLR
  • Verstärkung: einstellbar -80dB … 20dB
  • Versorgung: 3xAAA-Batterie
Fragen zum Projekt?
Impressum               |                Nach oben ↑