Home Modellbahn Projekte Bilder s.E.V.A.      

Projekte

Netzgerät

Einleitung

Realisierung

Ergebnis

Di-Amp

Switchpack

DimmModul-V1

Einleitung

Das hier vorgestellte Labornetzgerät ist eines meiner ersten großen Projekte gewesen. Es stellte in der Zeit, in der ich es entwickelt habe (als Mittelstufenschüler), einen großen Meilenstein für mich dar. Deshalb habe ich nachfolgend den orginalen Inhalt des alten Web-Auftritts, bei dem das Projekt vorgestellt wurde (ergänzt um einige Anmerkungen), eingefügt.
Es ist noch zu bemerken, dass die Schaltung und der Aufbau in der dargstellten Variante mir seit über 10 Jahren (!) treue Dienste leistet.


Das Experimentiernetzgerät ‚S.Teck 30/3-l' ↑

Die erste Idee kam im Frühling 2004 auf. Das Ziel war es ein Netzgerät zu bauen, das 0-30Volt und 0-3Ampere liefert. Der erste Versuch begann dann im Sommer 2004 anhand einer alten Schaltung aus dem Buch "Moderner Elektronik Selbstbau", das wohl schon vor meiner Zeit abgedruckt wurde. Die Schaltung funktionierte auch wie sie dort beschrieben stand, aber ich war mit dem Ergebnis nicht ganz zufrieden, denn ich konnte den Strom nicht einstellen (was u.a. am mangelnden Verständnis der Schaltung meinerseits lag...).
In dieser Zeit kam ich dann auch auf die Idee eine GFS (GFS bzw. GLF: Eine Hausarbeit, meist mit Präsentation, die in der Wertung einer Klassenarbeit entspricht) in Physik über Strombegrenzer zu halten - es stellte sich dann als sehr umfangreich heraus, ein solches Thema in Klasse 10 den Mitschülern näher zu bringen.

Jedenfalls hat mir dann jemand dazu geraten, Operationsverstärker (OP) einzusetzen, um die Funktion des Strombegrenzer zu optimieren. Nachdem ich mich in die Materie OP eingearbeitet hatte, gelang es mir auch einen regelbaren Strombegrenzer zu bauen.

Für mein Netzgerät wollte ich digitale Anzeigeinstrumente verwenden (wegen der Optik und der besseren Ablesbarkeit). Nachdem ich zwei Stück gegrillt hatte und danach Spezielle besorgt hatte, die es dann auch ‚verrissen' hat, habe ich mir erst mal einige Informationen über solche Anzeigen eingeholt. Mit extra Stromversorgung und Schottky-Dioden an den Messeingängen war dann auch dieses Problem gelöst.

Die thermische Überlastabschaltung war das nächste Problem in der Reihe. Eine einfache bistabile Kippstufe sollte es werden. War aber nichts. Die Schaltung arbeitete aus irgendeinem Grund nicht zuverlässig. Dann kam ich auf die Idee eine Messbrücke mit Komparator zu verwenden. Das hat nach dem etwas mühsamen Abgleichen dann auch hervorragend funktioniert (und tut es immer noch :-).

Nach der Materialbeschaffung aus den vorhandenen "Vorräten" und diversen Bestellungen wurde die Hauptplatine zusammengebaut (bereits zum zweiten Mal, da die Erste nichts war).

-Testlauf-

Zwei Feststellungen:

1. Der Trafo, den ich noch herumliegen hatte (Werte unbekannt) war doch zu schwach und
2. Die Spannungsregelung war nicht stabil genug und schwankte zwischen 0 und Volllast um 1 bis 2 Volt.

Neuer Trafo und immerhin schon Version V der Hauptplatine halfen auch diesen (zum Glück) letzten Problemen ab und das Netzteil arbeitet zuverlässig und so, wie ich es haben wollte (Herbst 2005!).

Etwas zur verwendeten Technik ↑

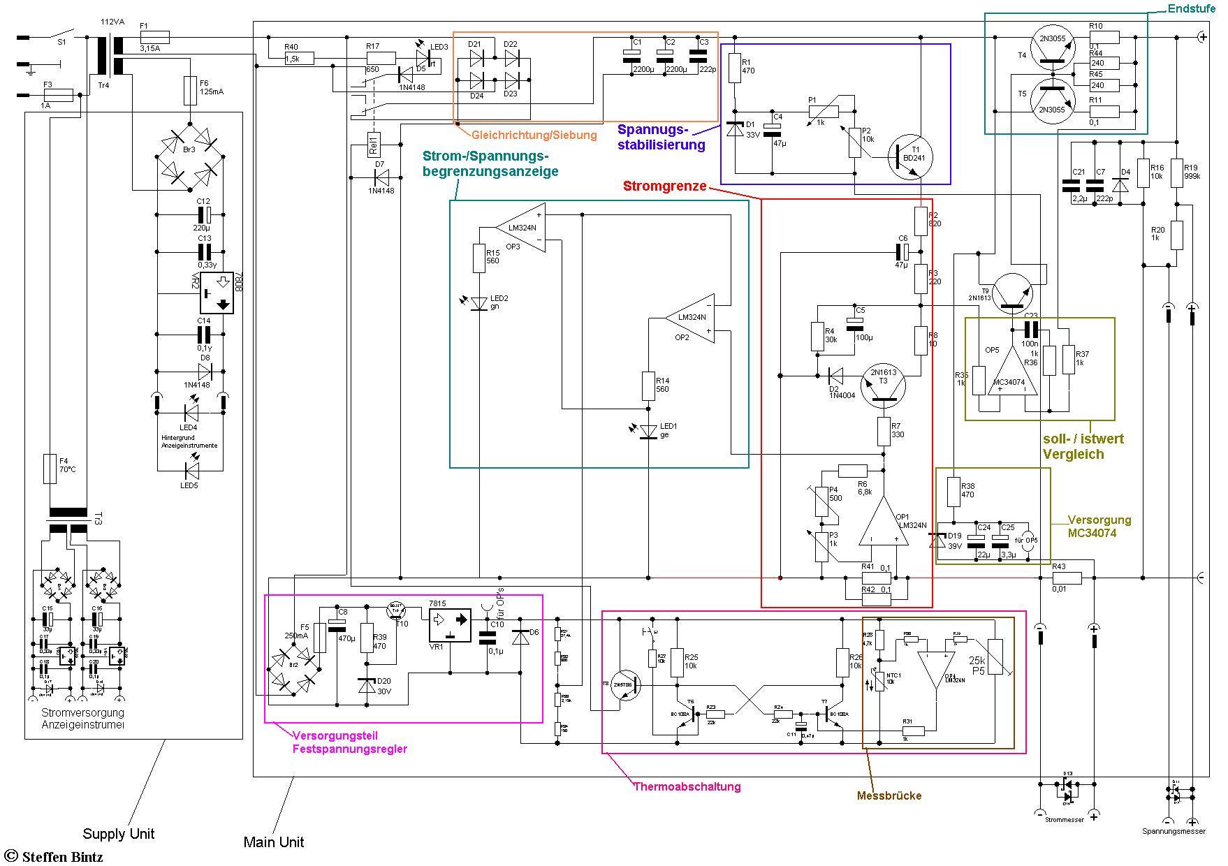
Via Brückengleichrichter und Siebung wird die Wechselspannungs sekundärseitig des Transformators in Gleichspannung gewandelt. (Mein Gleichrichter ist leicht überdimensioniert.) Über eine Z-Diode und einem Poti als Spannungsteiler wird eine einstellbare, stabilisierte Gleichspannung erzeugt die dann durch einen Transistor stromverstärkt wird.

Der Strombegrenzer ist prinzipiell der Gleiche wie der, den ich in der oben erwähnten GFS verwendet habe (Funktion: Der Strom wird über einen Shunt-Widerstand erfasst und bei Überschreiten des per Poti eingestellten Maximalstroms mit Hilfe einer OP-Schaltung damit die Referenzspannung für die Spannungsregelung reduziert. Etwas präziser: Die Referenzspannung für die Spannungsregelung wird reduziert, wenn T3-D2 leitend werden. Sobald also das mit OP1 verstärkte Signal des Stromsensors den T3-D2 in den leitenden Zustand überführt, beginnt die Reduktion der Referenzspannung und über den Spannungregler die Reduktion der Ausgangsspannung, was wiederum zu einer Reduktion des Stroms führt. Mit Hilfe des Potis P3 wird die Verstärkung des OP und damit die Eingreifschwelle des Strombegrenzers eingestellt)

Um eine stabile Ausgangsspannung zu erhalten, wird die Referenzspannung (aus Stromgrenze/Spannungsstabilisierung) mit der Ist-Spannung am Ausgang verglichen und entsprechend nachgeführt. (Soll-Istwert-Vergleich und Endstufe)

Mit dem Festspannungsregler wird die zur Versorgung des LM324 nötige Spannung erzeugt; der MC34074 des Soll-Istwert-Vergleichs hat eine eigene kleine Versorgung. Über den Festspannungsregler wird auch die Thermoabschaltung versorgt.

Die Thermoabschaltung besteht aus einer bistabilen Kippstufe, bei der der Transistor T7, der zum Abschalten angesteuert werden muss, von einem Komparatorausgang geschaltet wird. Der Komparator wertet die Messbrücke aus, die einerseits über einen Spannungsteiler einen (Temperatur-Referenz-)Schwellwert hat und andererseits einen Spannungsteiler, dessen einer Widerstand ein NTC auf dem Kühlkörper der Endstufe ist.

Die Supply Unit besteht aus einfachen Spannungsreglern und versorgt digitale Anzeigeinstrumente.


Das Ergebnis ↑

Im folgenden werden Daten und Bilder des fertige Netzgeräts gezeigt.

Der gesamte und endgültige Schaltplan.

Stückliste

Bilder der Platine und des Innenlebens


Main Unit



Supply Unit



Netzanschluss / Trafo


Bilder vom fertigen Gerät



Fragen zum Projekt?

Impressum               |                Nach oben ↑